南方VTP立式长轴透平泵采用了新的、先进的水力模型对泵头进行了设计,型谱覆盖范围广,可以在不同要求的场合为客户选择提供高效率的产品应用领域:防洪排涝、船坞水处理、冷却服务、海水和未净化水、工业流程泵、

买原厂正品南方泵才有质保,在线视频辨别真伪,看公司规模
正品CNP南方泵的外箱均印有官方LOGO,辨识度高,没有LOGO外箱,可能有风险,慎重签收!
每台正品CNP南方泵都有官方铭牌,铭牌上印有南方泵业股份有限公司以及CNP的商标!
每台正品CNP南方泵都有官方的合格证、说明书和检测报告,一泵一码可溯源,售后维修服务的凭证,假货无法售后。
好护士药业集团位于世界文化遗产五女山脚下,起始于百年前的厚生中药房,是集研发、生产、销售为一体的中药制药企业,现为世界500强企业上海医药集团股份有限公司控股公司。
登电集团总部位于登封市区中岳大街,是地方国有企业。2016年8月,登电集团在2016中国企业500强中排名第490位,2019河南企业100强榜单排名第24位。
浙江大学,简称浙大,坐落于素有“人间天堂”美誉的历史文化名城杭州。前身是1897年创建的求是书院,是中国人自己最早创办的现代高等学府之一。
丽珠医药集团股份有限公司创建于1985年1月,是集医药产品研发、生产、销售为一体的综合医药集团公司,A+H股上市公司。
客户案例覆盖53个行业,超5万家企业,值得您选择!
扫一扫立即报价
臭氧水制取、富氧水制取、喷雾处理、气浮处理
不锈钢,
南方泵业气液混合泵是卧式安装的不锈钢自吸式气液混合泵,过流部件均采用不锈钢材料制成,泵运行时边吸水边吸气,泵内加压混合。
性能稳定、低噪音、气液溶解效果好、可大幅省略辅助设备
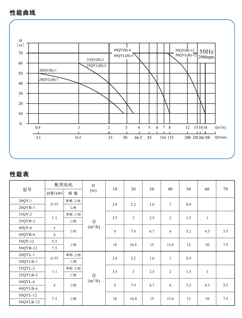
流量:0.5m3/h~18m3/h
扬程:10m~70m
功率:0.55kW~7.5kW
液体温度:-15℃~+120℃
频率:50Hz






扫一扫立即报价
我们已成功为上千家客户提供南方水泵服务