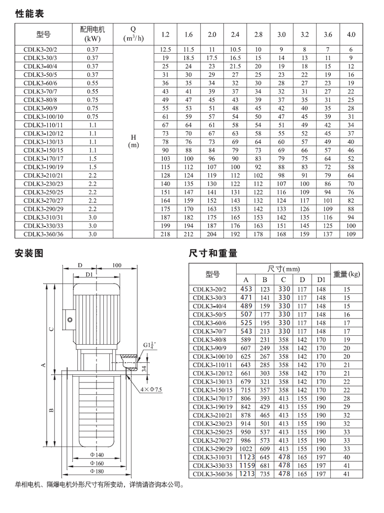
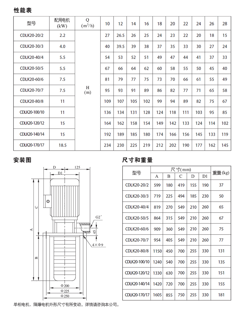
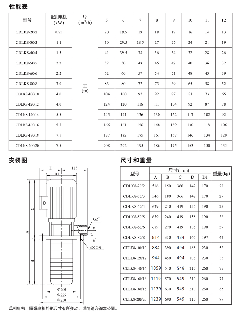
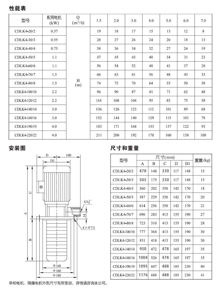
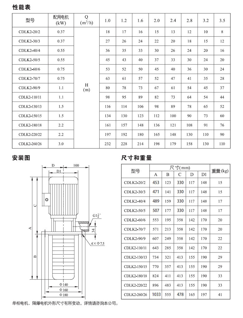
南方CDLK,CDLKF非自吸立式浸入多级离心泵,电机轴通过联轴器直接与泵轴联接,叶轮导叶采用不锈钢板冲压焊接制成,为满足水槽或容器的安装深度,可安装空腔体来改变泵浸入液下深度。

买原厂正品南方泵才有质保,在线视频辨别真伪,看公司规模
正品CNP南方泵的外箱均印有官方LOGO,辨识度高,没有LOGO外箱,可能有风险,慎重签收!
每台正品CNP南方泵都有官方铭牌,铭牌上印有南方泵业股份有限公司以及CNP的商标!
每台正品CNP南方泵都有官方的合格证、说明书和检测报告,一泵一码可溯源,售后维修服务的凭证,假货无法售后。
好护士药业集团位于世界文化遗产五女山脚下,起始于百年前的厚生中药房,是集研发、生产、销售为一体的中药制药企业,现为世界500强企业上海医药集团股份有限公司控股公司。
登电集团总部位于登封市区中岳大街,是地方国有企业。2016年8月,登电集团在2016中国企业500强中排名第490位,2019河南企业100强榜单排名第24位。
浙江大学,简称浙大,坐落于素有“人间天堂”美誉的历史文化名城杭州。前身是1897年创建的求是书院,是中国人自己最早创办的现代高等学府之一。
丽珠医药集团股份有限公司创建于1985年1月,是集医药产品研发、生产、销售为一体的综合医药集团公司,A+H股上市公司。
客户案例覆盖53个行业,超5万家企业,值得您选择!
扫一扫立即报价

扫一扫立即报价
我们已成功为上千家客户提供南方水泵服务